15094957709 17127336999

首页
关于基翔
产品中心
新闻资讯
应用案例
下载中心
联系我们

产品中心 > 台湾TBI > 无法兰系列 BSH

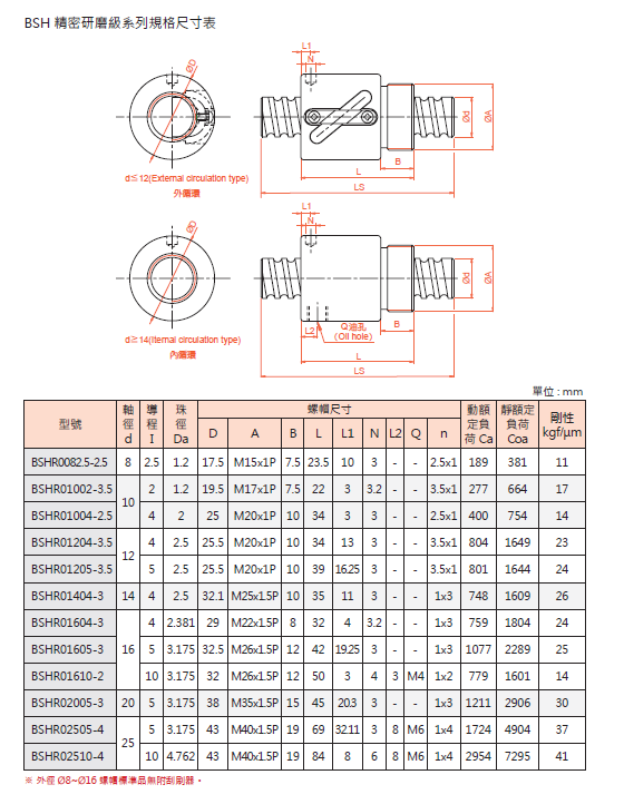
无法兰系列 BSH


在线咨询
产品详情


BSH系列有无间隙、高刚性之特性,其无法兰设计可以节省空间,或顾客可依个别需求自行搭配需要的法兰。

滚珠螺杆-无法兰系列特色 
1. 无法兰设计,节省空间。 
2. 无间隙,高刚性。 
3. BSH系列可供客户自行锁配需要的法兰。 

应用

选型.pngQQ截图20190125105853.png